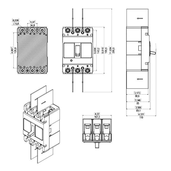
Capacidade de interrupção: 20 kA (400 VCA) Corrente nominal, In (40°C): 200A Número de polos: 3 polos Tipo de disparador: Magnético e térmico fixo Forma de fornecimento: Sem acessórios
*Os produtos importados terão acréscimo de imposto conforme política fiscal do estado.